Компрессорный завод ГлавнаяО компанииИстория заводаУслугиНовостиOnline заявкаКонтактная информация 8 800 551-20-16
Винтовые компрессоры, поршневые компрессоры, турбокомпрессоры.
Воздушные компрессоры и компрессорные станции
Компрессорный завод

Компрессор 2ГМ4-54/3 (2ГМ4-54/3С)

Компрессор 2ГМ4-54/3 (2ГМ4-54/3С)

Наличие компрессора на складе: В наличии на складе.

Стоимость оборудования*1:

- запасные части: от 50 руб.

- компрессор: --

*1 - Стоимость оборудования зависит от комплектации компрессора.

 Для заказа оборудования перейдите по ссылке:

Купить компрессор 2ГМ4-54/3 (2ГМ4-54/3С)

 

Технические характеристики компрессора 2ГМ4-54/3 (2ГМ4-54/3С)

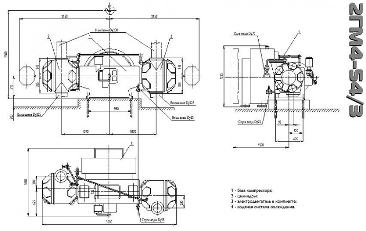
Компрессор 2ГМ4-54/3, 2ГМ 4-54/3 
Сжимаемый газ воздух
Частота вращения вала электродвигателя, об/мин 750
Объемная производительность приведенная к условиям всасывания, куб/м в мин. 54
Давление атм. абс.: Начальное 1,01/1,04
Конечное 3
Температура газа начальная град. С  -25:+35
Мощность на валу компрессора, кВт. 146
Расход охлаждающей воды без концевого при ее температуре на входе +25 град. С. (расч.) л./мин. 27
Расход масла на смазку цилиндров, г/час 100
Количество масла, заливаемого в раму компрессора, л 120
Масса компрессора, кг 3600
Электродвигатель 
Тип А2КП85/24-8/16УХЛ4
Мощность, кВт 160/75
Напряжение, В  380
Установка 
Масса установки в объеме поставки, кг 4200
Габаритные размеры установки, Д/Ш/В, мм 3000/1680/1155

Описание

Компрессор 2ГМ4-54/3, 2ГМ 4-54/3 стационарный поршневой одноступенчатый, оппозитный с водяным охлаждением со смазкой цилиндров и сальников.
Привод осуществляется от двухскоростного асинхронного электродвигателя тип А2К П85/24-8/16УХЛ4, встроенного в раму компрессора.
Компрессор оборудован системой автоматической защиты и сигнализации по основным параметрам.

Запасные части к компрессору 2ГМ4-54/3 (2ГМ4-54/3С)

Наличие компрессора на складе: В наличии на складе.

Наличие запасных частей: В наличии на складе.