Низкое давление (до 11 бар)

![]() |
ГлавнаяО компанииИстория заводаУслугиНовостиOnline заявкаКонтактная информация | 8 800 551-20-16 |
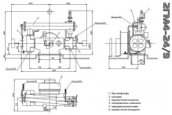
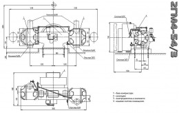
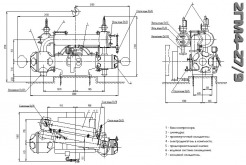
| Винтовые компрессоры, поршневые компрессоры, турбокомпрессоры. Воздушные компрессоры и компрессорные станции |
|

